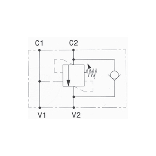
Single Effect Overcentre Valve In-Line
Brand
CBF

Service phone
+(30) 2310 752 773
| COD. | R | FLOW (LIT) | PRESSURE (bar) |
| OVC SEL 38 | 3/8 | 40 | 350 |
| OVC SEL 12 | 1/2 | 60 | |
| OVC SEL 34 | 3/4 | 100 | |
| OVC SEL 10 | 1’ | 120 |
Are you interested in our products and services?
We are confident that you will find what you need!
The huge variety of our products, the guidance of our experienced staff and the special applications and repair services we offer, fulfil all needs in industrial equipment.


